欢迎光临常州耐强传动机械有限公司网站!
网站首页
关于耐强
公司简介
组织架构
荣誉资质
产品展示
F系列减速电机
K系列减速电机
S系列减速电机
R系列减速电机
减速机齿轮油
PV系列减速电机
摆线减速机
行星减速机
设备展示
新闻中心
公司新闻
行业资讯
人才招聘
联系我们
F系列减速电机
F系列减速电机
K系列减速电机
K系列减速电机
S系列减速电机
S系列减速电机
R系列减速电机
R系列减速电机
减速机齿轮油
减速机齿轮油
PV系列减速电机
PV系列减速电机
摆线减速机
摆线减速机
行星减速机
行星减速机
当前位置:
首页
>
产品展示
>
摆线减速机
XL型(单级)摆线针轮减速电机
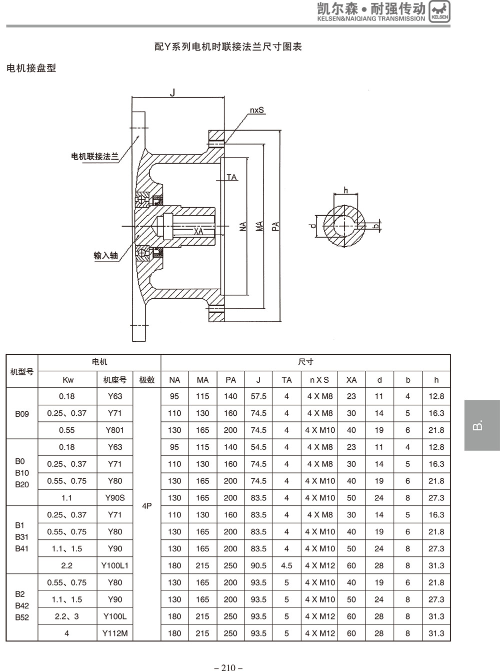
产品参数
产品详情
a